KJT-SL型縱向撕裂檢測器
- 產品系列:KJT-SL型
- 負載電流:AC380V 5A,DC24V 5A
- 觸點方式:常開1.常閉1;常開2. 常閉2.(訂貨時請注明)
- 復位方式:手動
- 電器壽命:>10萬次
- 防護等級:IP65/IP67
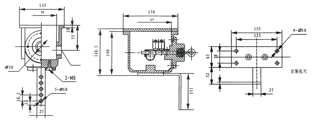
凱基特KJT-SL型縱向撕裂檢測器是用于對皮帶進行可靠保護的昂貴設備。檢測器可在皮帶出現撕裂、斷裂,或重要的尖銳物體劃破皮帶時,向監控人員提供報警信號或關閉輸送機。撕裂檢測器成對安裝在傳送帶兩側,由兩段鋼絲繩連接(鋼絲繩為覆塑外套護層)。一端永久固定在支撐托架上以防止繩子丟失,另一端連接在撕裂開關的彈簧球上。兩段鋼絲繩在皮帶下面形成一個閉合回路,當物體或撕裂的皮帶接觸到一條或兩條鋼絲時,彈簧球被拉出底座,撕裂開關發出警報信號或停機信號。事故處理完后,將彈簧球重新裝入底座,撕裂開關取消警報信號。檢測器提供了一種簡便且有效的方式,為輸送皮帶可能出現的損壞提供可靠和穩定的報警及停機保護。盡管檢測器的原理簡單,但它在各種惡劣環境下發揮了重要作用,堅固的殼體和重載結構加上簡單的安裝方式,使得檢測器在任何惡劣環境下都能正常工作。

| 環境溫度 | -30℃~+50℃ |
| 相對濕度 | 不小于85% |
| 最大行程 | 10mm |
| 動作力 | 70-100N |
| 觸點數量 | 1個常開,1個常閉(可根據需要增加2組常開;2組常閉) |
| 觸點容量 | AC380V/5A |
| 復位方式 | 手動 |
| 可靠性 | >10萬次 |
| 防護等級 | IP65/IP67 |
| 重量 | 5Kg |






