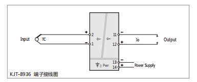
直流毫伏信號輸入。經過隔離傳送,輸出所需的直流毫伏信號。直流電源供電方式,輸入-輸出-電源各通道之間隔離。采用標準的35mmDIN導軌卡式安裝??砂尾宓慕泳€插頭端子,彈簧壓緊連接。

● 供電電源
供電電壓范圍:20~30VDC
額定供電電壓:24VDC
電流消耗(24VDC供電時):< 22mA (1入1出)
< 33mA (1入2出)
● 輸 入
輸入信號:0~100mV
最小量程:3mV
輸入阻抗:>20MΩ
● 輸 出
輸出信號:0~100mV
輸出阻抗:<10Ω
輸出紋波:< 5mVp-p
● 綜合參數
標準精度:±0.1%
溫度漂移:0.01%F.S./℃
響應時間:< 10ms
隔離能力:輸入-輸出-電源之間 1.5KV,1min,50Hz
絕緣電阻:輸入-輸出-電源之間 ≥100MΩ / 500VDC
工作環境溫度:-20℃~+60℃
儲存環境溫度:-40℃~+80℃
機殼材質 / 防護等級:阻燃ABS/IP20
外形尺寸:16×116×110(mm)



