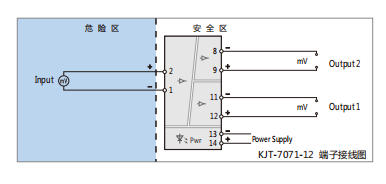
接收來自于現場危險區的直流毫伏信號,經過隔離并傳 送給安全區的接收儀表。

● 供電電源
供電電壓范圍:20~30VDC
額定供電電壓:24VDC
電流消耗(24VDC供電時):<65mA(1入1出);
● 從危險區輸入
輸入信號:變送器直流電流信號4~20mA;HART信號
輸入阻抗:≤50Ω
給變送器的配電:≥16VDC
最大輸入電流限制:約30mA
● 向安全區輸出
輸出信號:4~20mA;HART 信號
電流輸出負載:≤350Ω(出廠默認,可指定負載)
● 綜合通用參數
標準精度:±0.1%
溫度漂移:0.01%F.S./℃
響應時間:< 10ms
隔離能力:輸入-輸出-電源之間 1.5KV,1min,50Hz
絕緣電阻:輸入-輸出-電源之間 ≥100MΩ/500VDC
外形尺寸:16×116×110(mm)
工作環境溫度:-20℃~+60℃
● 安全防爆認證參數
防爆等級標志:[Exia Ga]IIC
安全認證參數:Um = 250VAC/DC Uo = 28VDC Io = 93mA
Po = 0.65W Lo = 2.4 mH Co = 0.05μF



