KJT-LSA500流量傳感器(開關)
- ●:數碼清晰顯示流量百分比
- ●:電腦控制,操作簡便,高靈敏度
- ●:安裝方便,開關量連續可調
- ●:電源正反接可實現兩種不同工作狀態,寬電源供電
- ●:整體IP67防護等級,幾乎無壓力損失
凱基特KJT-LSA500熱式流量傳感器(開關)采用了廣泛應用于航空和汽車上的精密電子元器件,可靠穩定的電路設計,使流量信號更加精確和穩定,目前已廣泛應用于鋼鐵、冶金、制藥、化工等行業。
氣液兩用,可用于氣體和液壓系統、循環水、切削液及潤滑油的斷流監測、以及泵的空轉保護。

| 測量介質范圍 | 水: 3-300CM/S |
| 氣: 200-3000CM/S | |
| 油: 3-300CM/S | |
| 輸出信號 | PNP/NPN/繼電器/4~20mA |
| 供電電源 | 24VDC、85~265VAC、120~370VDC |
| 響應時間 | 2 (2~10) S |
| 開關精度 | ±1~±10CM/S |
| 消耗電流 | <80mA |
| 長期穩定性 | ≤±0.1%/年 |
| 環境溫度 | -40℃~80℃ |
| 儲存溫度 | -40℃~80℃ |
| 介質溫度 | -20℃~80℃ |
| 相對濕度 | 0%~80% |
| 防護等級 | IP67 |
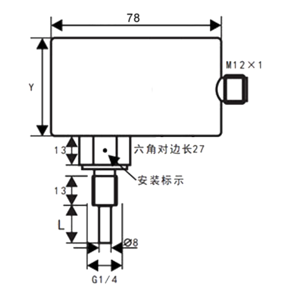
| 安裝方式 | 水平安裝、側裝、彎管安裝 |
| 感壓膜片 | 316L不銹鋼,哈氏合金 |
| 電氣連接 | 接線端子 |







